| Назначение
Станции смазочные предназначены для нагнетания жидкого отфильтрованного смазочного материала в смазочные системы станков, компрессоров, мельниц и другого оборудования.
Основные характеристики
Станции И-СЭ - предназначены для подачи жидкого смазочного материала к импульсным питателям;
- работают на чистых минеральных маслах с вязкостью от 30 до 600 мм2/с при температуре масла от +5 до +50оС;
- изготавливаются в исполнении для умеренного (УХЛ4) и тропического (О4.1) климата.
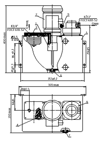
Станция И-СЭ состоит из бака, закрытого крышкой, к которой крепится насосная установка в виде шестеренного насоса с электродвигателем, клапанная коробка с дросселем выпуска воздуха, реле уровня и заливной фильтр с воздушным фильтром.
Станции С48
- предназначены для нагнетания отфильтрованных масел в смазочные системы станков и других машин;
- работают на жидком смазочном материале с вязкостью от 10 до 200 мм2/с при температуре масла от +5 до +50оС ;
- изготавливаются в исполнении для умеренного (УХЛ4) и тропического (О4.1) климата.
Станция С48 содержит насосную установку, выполненную на базе шестеренного насоса с фланцевым электродвигателем, фильтр тонкой очистки с предохранительным клапаном, установленным на напорной линии насоса, резервуар с пробкой для слива смазочного материала, указатели уровня масла и заливной фильтр.
Станции СМОЭ
- предназначены для работы в составе централизованных систем периодической подачи и очистки смазочных материалов компрессоров, мельниц и других машин;
- работают на жидком смазочном материале с вязкостью не ниже 17 мм2/с при температуре масла от +1 до +50оС; класс чистоты минеральных масел не ниже 14;
- не рассчитаны на работу в среде, содержащей едкие газы, пары или растворы едких веществ в концентрациях, разрушающих металлы и изоляцию, а также во взрывоопасной среде;
- изготавливаются в исполнении для умеренного (УХЛ4) и тропического (О4.1) климата.
Станция СМОЭ состоит из бака, редуктора и электродвигателя, которые образуют привод, нагнетательного элемента, заливного фильтра, реле уровня, всасывающего фильтра, предохранительного устройства, обратного клапана, манометра и прозрачной трубки.
Станции С-ЦСМ
- централизованные циркуляционные смазочные - обеспечивают подачу жидкого смазочного материала к трущимся парам узлов и механизмов кузнечно-прессового оборудования, металлорежущих станков и других машин, а также сбор и очистку отработанного смазочного материала;
- работают на чистых минеральных маслах вязкостью от 20 до 200 мм2/с при температуре масла от +1 до +50оС; класс чистоты смазочных материалов не ниже 14;
- изготавливаются в исполнении для умеренного (УХЛ4) и тропического (О4.1) климата.
| Наименование |
Номинальная подача (диапазон), л/мин |
Номинальное давление, МПа |
Мощность двигателя, кВт |
Тонкость фильтрации, мкм |
Емкость бака, дм3 |
Масса, кг |
| СМОЭ-1 |
0,02 |
12,5 |
0,09 |
80 |
6,3 |
12,5 |
| СМОЭ-2 |
0,02 |
23,0 |
0,09 |
80 |
6,3 |
12,5 |
| С-ЦСМ0,8 |
0,8 (0,1-0,8) |
6,3 |
0,55 |
25 |
160 |
200 |
| С-ЦСМ3,2 |
3,2 (0,32-3,2) |
6,3 |
1,1 |
25 |
250 |
217 |
| С-ЦСМ5,0 |
5,0 (0,5_5,0) |
6,3 |
1,5 |
25 |
400 |
260 |
| И-СЭ2,5/0,5 |
0,5 |
2,5 |
0,09 |
|
2,5 |
6 |
| И-СЭ10/0,5 |
0,5 |
2,5 |
0,09 |
|
10 |
13,5 |
| И-СЭ10/1,0 |
1,0 |
2,5 |
0,09 |
|
10 |
15 |
| С48-11М |
0,63 |
0,63 |
0,09 |
40 |
10 |
12,5 |
| С48-12М |
1,25 |
0,63 |
0,09 |
40 |
10 |
12,5 |
| С48-13М |
1,85 |
0,63 |
0,12 |
40 |
10 |
13 |
| С48-14М |
3,0 |
0,63 |
0,12 |
40 |
10 |
13 |
|
|  И-СЭ-2,5/0,5
 С48
 СМОЭ
 С48
 И-СЭ
|