| Назначение
Клапаны предохранительные модульного монтажа применяются для упрощения изготовления трубопроводов, сокращения их числа, модернизации действующего оборудования при сохранении всех основных параметров.
Область применения - гидроприводы прессов, станков, литейных и литьевых машин, мобильной техники и другого гидрофицированного оборудования.
Основные характеристики
| Обозначение |
Условный проход, мм |
Номинальное давление, МПа |
Диапазон регулирования давления, МПа |
Номинальный расход, л/мин |
Масса, кг |
| МКПВ10/3М2Р1 |
10 |
10,0 |
0,5-12,5 |
63,0 |
3,3 |
| МКПВ10/3М2Р2 |
20,0 |
1,0-25,0 |
| МКПВ10/3М2Р3 |
32,0 |
1,5-35,0 |
|
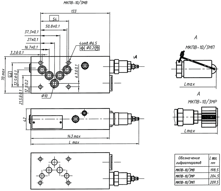
|  МКПВ10/3М
 Габаритный чертеж
 Каталог |